Communications
Ground Command Interface Logic
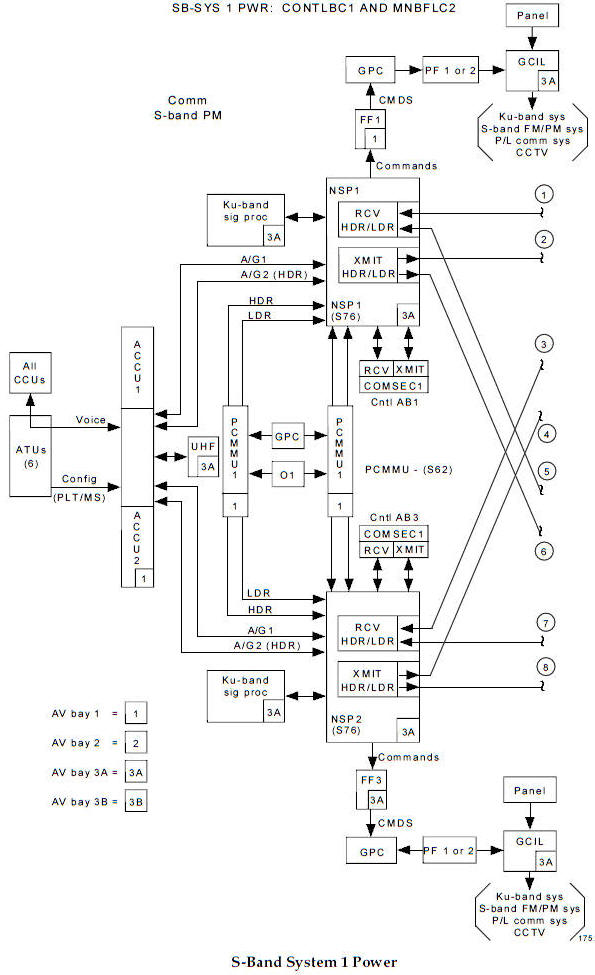
S-Band PM System Interfaces and Data Flow
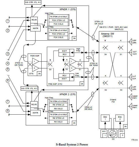
S-Band FM System Block Diagram
Ku-Band Communications Systems
UHF Subsystem Functional Block Diagram
Audio Loops and System Interface
Operational Instrumentation System Overview
Ground Command Interface Logic

S-Band PM System Interfaces and Data Flow

S-Band FM System Block Diagram

Ku-Band Communications Systems

UHF Subsystem Functional Block Diagram

Audio Loops and System Interface

Operational Instrumentation System Overview


