Space Shuttle APU Schematics; Use this Manual to find Schematics on The
Space Shuttles's APU
APU
Improved APU Fuel System Schematic
APU Ready for Start
Talkback Indicator Logic
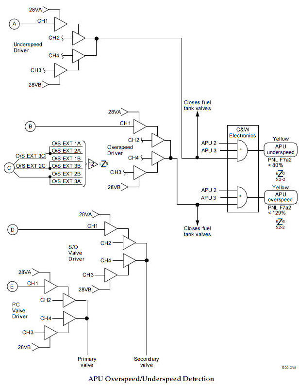
APU Overspeed / Underspeed
Detection
APU Injector Cooling
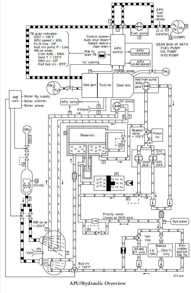
Water Spray Boiler
Hydraulic System
APU Hydraulic Overview
Improved APU
Fuel System Schematic

PU Ready-for-Start
Talkback Indicator Logic

APU
Overspeed/UnderspeedProtection

APU Injector Cooling

Shuttle APU Injector Coolingr

Hydraulic System

APU/Hydraulic Overview
