Life Support System
ECLSS is functionally divided into four systems
Environmental Control and Life Support System Overview
Environmental Control and Life Support System Interfaces
Nitrogen System for Nominal Mission
Regenerable Carbon Dioxide Removal System
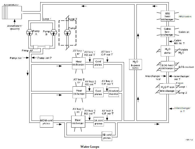
Crew Cabin Water Coolant Loops
Crew Cabin Water Coolant Loops
Active Thermal Control System Component Locations
Pressure Control System (Orbit)
ECLSS is functionally divided into four systems

Environmental Control and Life Support System Overview

Environmental Control and Life Support System Interfaces


Nitrogen System for Nominal Mission


Regenerable Carbon Dioxide Removal System

Avionics Bay and Cabin Heat Exchanger

Crew Cabin Water Coolant Loops

Active Thermal Control System Component Locations




Pressure Control System (Orbit)
