Space Shuttle Dedicated Display System Schematics Index; Use this Manual
to find Schematics on The Space Shuttles's Dedicated Display Systems
Dedicated Display System
Dedicated Display and Control System
Multifunctional Electronic Display System (MEDS) Data Bus Network
Glass Cockpit Dedicaed Display System
Power for Alpha/Mach Indicator, Altitude/Vertical
Velocity Indicator, Horizontal Situation Indicator, and Surface Position
Indicator
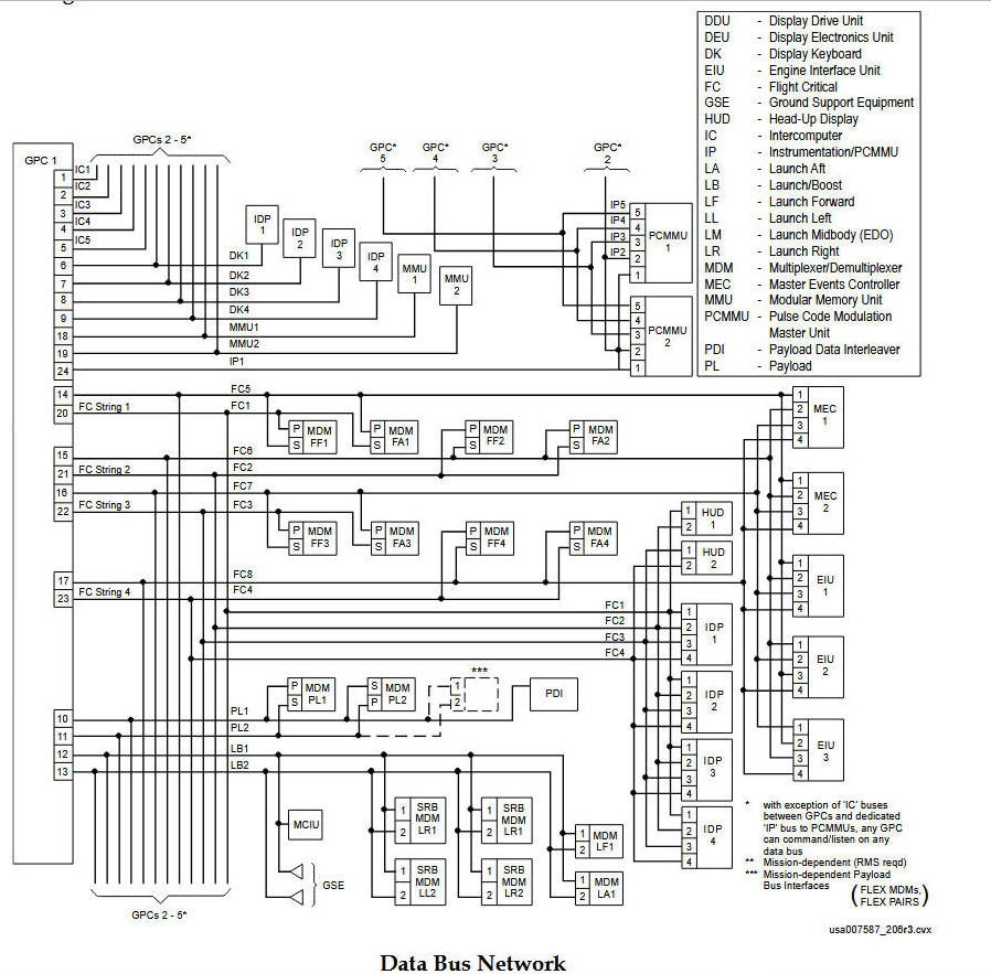
Data
Bus Network
Dedicated Display and Control
System


Power for Alpha/Mach Indicator, Altitude/Vertical Velocity Indicator, Horizontal
Situation Indicator, and Surface Position Indicator


